Термопластавтомат Олдэнг YC1000
ОЛДЭНГ YC1000 это классический термопластавтомат с коленорычажным механизмом, оснащённый гидравлическим приводом. Станок оптимально подходит для отливок массой до 6398 грамм и пресс-форм с максимальными габаритами 1080х1080х1100 миллиметров. Может поставляться как с насосом переменной производительности, так и с сервоприводом. Термопластавтоматы ОЛДЭНГ серии YC - оптимальное решение для вашего производства, заслуживший доверие множества пользователей по всей территории Российской Федерации!
- Узел впрыска термопластавтомата ОЛДЭНГ YC натягивается сразу двумя гидравлическими цилиндрами, что обеспечивает максимально стабильный процесс литья.
- Головка шнека и запирающее кольцо изготовлены из высококачественной Японской стали и подвергается специальному процессу закалки. Благодаря этому обеспечивается максимальная "живучесть" узла впрыска при литье "сложных" материалов.
- Пара шнек-цилиндр изготавливаются из высококачественной легированный стали, изготовленной методом вакуумного ионного азотирования. Использование этой технологии, позволяет изготовить максимально износостойкий и корозионностойкий узел впрыска.
- Пропорционально-интегрально дифференцирующий регулятор температуры в сочетании с высокоточной электронной линейкой и контроллером позволяют производить высокоточное литьё с тонкой настройкой параметров литья, таких как: многозонная настройка температуры, выдержка, скорость впрыска, давление впрыска, скорость и интенсивность плавления материала, противодавление и множество других параметров.
- Машины серии YC оснащены системой предварительной подготовки материала и системой предварительного нагрева, что обеспечивает безопасность, точность и простоту использования термопластавтомата ОЛДЭНГ YC.
- Коробчатая конструкция, пропорции, кинематика движений и форма плит узла запирания рассчитаны с использованием компьютерного моделирования, тестирования и анализа, что обеспечивает скоростную, стабильную и высокоточную работу узла запирания.
- Термопластавтоматы ОЛДЭНГ серии YC обладают увеличенным расстоянием между колоннами и увеличенным ходом плит, что обеспечивает использование крупногабаритных пресс-форм при оптимальном подборе силы запирания.
- Узел регулирования высоты пресс-формы приводится в движение гидравлическим мотором через высококлассную зубчатую передачу. Использование высококлассных материалов, обладающих хорошей стойкостью, а также первоклассная точность обработки зубчатых колёс обеспечивают высокую скорость настройки высоты пресс-форм, что в свою очередь обеспечивает оперативную смену пресс-форм. Всё вышеперечисленное гарантирует вам минимальное время простоя при замене пресс-форм.
- Прецизионность контроля. Использование сервоприводов и сервомоторов для контроля и регулировки давления, скорости впрыска и выдержки изделия гарантирует прецизионность литья и минимизирует количество бракованных отливок, увеличивая повторяемость изделий. Точность и повторяемость литья при использования сервопривода термопластавтомата ОЛДЭНГ YC составляет не менее чем 99,7%.
- Высокоскоростная обратная связь. Сервомотор общается с контроллером термопластавтомата через сервопривод напрямую со скоростью не более 0,05 секунды на действие рабочего органа. В сравнении с термопластавтоматом на приводе переменной производительности термопластавтомат ОЛДЭНГ YC на сервоприводе быстрее, цикл меньше, станок производительнее.
- Низкий уровень шума. В сравнении с термопластавтоматами на насосах постоянной и переменной производительности, термопластавтомат ОЛДЭНГ YC1000S намного тише. На максимальных режимах работы уровень шума никогда не превысит 80дБ. Машина со столь низким уровнем шума идеально подходит для высокотехнологичного и современного производства!
- Энергоэффективность. Использование высокоэффективных сервомоторов и сервоприводов позволяет экономить от 30% до 80% электроэнергии, КПД сервопривода выше КПД привода переменной мощности на 18%
- Термопластавтомат в комплектации с насосом переменной производительности дешевле, чем термопластавтомат основанный на сервоприводах. Но он всё также высокоэффективен и обеспечивает хороший уровень энергопотребления при перерасчёте на одно произведённое изделие.
- Насос переменной производительности экономичнее на 30%-60% чем насос постоянной производительности.
- Термоконтроль гидравлической системы станка, хорошая система фильтрации и множество других высокотехнологичных решений обеспечивают долгий срок службы термопластавтомата на насосе переменной производительности.
- Высокопроизводительная система ЧПУ. Контроллер термопластавтомата ОЛДЭНГ YC1000 оснащён процессором RISC на архитектуре X86. Система ЧПУ стабильна и обладает высокой скоростью работы.
- Цветной дисплей. Система ЧПУ обладает цветным дисплеем размером 8,4 дюйма с разрешением 800 х 600 пикселей. Все рабочие разделы системы русифицированы.
- Система ЧПУ оснащена портом USB и Ethernet, для загрузки программ и общения с цехом в рамках системы автоматизации 4.0
- Система ЧПУ контролирует до 7 зон обогрева + 1 зону на сопло. Дискретность 1 градус.
- Система ЧПУ обладает возможностью регулирования до 120 различных технологических параметров.
- В стандартной комплектации система ЧПУ Mirle (Тайвань), опционально возможно использование системы ЧПУ KEBA (Австрия)
- Вакуумный загрузчик;
- Бункер-загрузчик;
- Сушилка-загрузчик;
- Переносной вакуумный загрузчик;
- Шнековый загрузчик;
- Конвейер ленточный.
- Чиллер с водяным охлаждением;
- Чиллер с воздушным охлаждением;
- Термостат масляный;
- Термостат водяной.
- Два цилиндра системы натяжения сопла;
- Высококачественная пара шнек-цилиндр;
- Возможность многоступенчатого регулирования скорости прессования, позиционирования и выдержки;
- Цифровой контроль позиции шнека;
- Система предварительного прогрева шнека;
- Привод шнека с высоким крутящим моментом;
- Система регулирования позиции сопла;
- Отображение скорости вращения шнека на системе ЧПУ;
- Стальной бункер;
- Система охлаждения загрузочной горловины.
- Насос переменной мощности;
- Сервопривод (опция);
- Система фильтрации масла;
- Контроль температуры масла и система сигнализации перегрева;
- Масляный фильтр.
- Система ЧПУ Mirle;
- Система ЧПУ KEBA (опция);
- 8,4х дюймовый цветной дисплей;
- Память на 200 пресс-форм;
- Мониторинг температуры масла;
- Система самодиагностики;
- Разъём USB;
- Разъём Ethernet (опция);
- Система защиты электроприводов;
- Система экстренной остановки.
- Пять опорных точек узла;
- Цифровая система контроля позиции подвижной плиты;
- Система механического запирания плит;
- Возможность многоступенчатого регулирования позиционирования и скорости открытия/закрытия пресс-формы;
- Система автоматической настройки высоты пресс-формы;
- Коробчатая конструкция плит;
- Автоматизированная централизованная система смазки узла запирания.
- Виброопоры;
- Комплект изнашивающихся расходных частей;
- Инструмент;
- Руководство по эксплуатации на Русском языке.
- Большое разнообразие узлов впрыска для различных материалов;
- Большое разнообразие узлов пластификации и опций для трудных материалов;
- Специальные пары шнек-цилиндр;
- Аккумуляторы для высокоскоростного литья;
- Воздушные толкатели;
- Увеличенные сопла.
Узел впрыска
Узел запирания
Узел регулирования высоты пресс-формы
Сервопривод (в комплектации YC1000S)
Насос переменной производительности (в комплектации YC1000V)
Система ЧПУ
Необходимая периферия(каталог):
Наличие на производстве дополнительного оборудования для загрузки и транспортировки потока сырья либо уже готовой продукции позволяет автоматизировать технологические процессы и существенно повысить производительность линии выпуска и качество продукции. Также модели загрузчиков оснащены фильтрами очистки и пневматической системой самоочистки, что не позволит приводу загрязняться в течении продолжительного времени. Мы рекомендуем:
Влажность сырья напрямую влияет на качество готовой продукции – содержание влаги должно быть сведено к минимальным значениям, поскольку влага способствует образованию пор и браку. Так как при выдувке преформы дефекты становятся существенно заметнее, мы рекомендуем использовать оборудование для сушки:
Поскольку важно обеспечить быстрое охлаждения отливок и оборудования, а также сушку и контроль температуры, применение термоконтроллеров и чиллеров позволяет сократить брак, цикл и оптимизировать производство. Мы рекомендуем использовать:
Сборочный цех
Подготовка комплектующих к сборке
Характеристики:
| Характеристики | Значение |
| Максимальный объём впрыска (узел впрыска D) | 7031 грамма |
| Максимальная масса впрыска (узел впрыска D) | 6398 грамма |
| Диаметр шнека | Ø 130 миллиметров |
| Давление впрыска | 122 мегапаскалей |
| Соотношение длины к диаметру шнека | 19:1 |
| Ход шнека | 530 миллиметров |
| Диапазон скоростей вращения шнека | от 1 до 100 оборотов в минуту |
| Усилие смыкания | 10 000 килоньютонов |
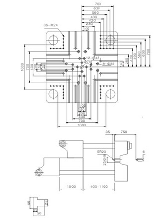
| Ход подвижной плиты | 1150 миллиметров |
| Размер плит | 1530 х 1530 миллиметров |
| Расстояние между колоннами | 1080 х 1080 миллиметров |
| Диапазон регулирования высоты пресс-формы | от 450 до 1100 миллиметров |
| Ход толкателей | от 325 миллиметров |
| Усилие толкателей | 245 килоньютон |
| Давление в гидравличеcкой системе | 16 мегапаскалей |
| Мощность привода (переменной мощности / серво) | 30 + 45 / 43 + 67 киловатт |
| Мощность нагревателей | 68 киловатт |
| Количество контролируемых зон нагрева | 6 шт + сопло |
| Время сухого цикла | 8 секунд |
| Объём гидравлического бака | 1700 литров |
| Габариты термопластавтомата | 12 100 х 2640 х 3000 миллиметров |
| Масса термопластавтомата | 54 000 килограммов |
