Сверлильно-фрезерный обрабатывающий центр UT420
Станок UGint UT420 - это универсальный станок для решения широкого спектра задач. Шпиндель с максимальной скоростью вращения до 24 000 об / мин, максимальные ускоренные перемещения до 50 м / мин., возможность выбора между BT30 и BT40 шпинделем, а также различными сменщиками инструмента. Достаточный запас по жёсткости и опциональной мощности. Всё это делает UGint UT420 станком, который можно оптимизировать конкретно под ваши задачи!
- Шпиндели со скоростью вращения до 125 000 оборотов в минуту собственного производства компании UGINT
- Сменщики инструмента со скоростью смены инструмента от 1,1 секунды от позиции до позиции собственного производства компании UGINT
- Уникальный инновационный подход к проектированию станков, подразумевающий модульную конструкцию станков, что снижает себестоимость производства, а также уникальное качество литья станины
- Ускоренные перемещения по осям до 60 метров в минуту
- Компания UGINT занимает первое место по производству станков для обработки алюминия в Корее и пятое место в мире
- Металлообрабатывающие центры UGINT прошли жесточайший контроль качества со стороны таких компании как APPLE и SAMSUNG. Вендорским компаниям этих гигантов поставлено более 9000 единиц оборудования. С высокой долей вероятности корпус смартфона, лежащего у вас в кармане, произведён на наших станках
- В стандартной комплектации полностью отсутствуют Китайские комплектующие и практически полностью отсутствуют Тайваньские комплектующие. Привода по всем осям MITSUBISHI или FANUC (или SIEMENS) – Япония, Германия. Система числового программного управления MITSUBISHI или FANUC (или SIEMENS) – Япония, Германия. Подшипники NSK – Япония или SKF – Швеция. Линейные направляющие качения HIWIN – Тайвань, на тяжелой серии наших станков используются направляющие SBC – Южная Корея. Глобусные столы и вся оснастка на станках UGINT от Корейского производителя – SAMCHULLY. Измерительная оснастка MARPOSS – Италия.
- Система ЧПУ Mitsubishi, Япония
- Привода по всем осям, а также главный привод станка Mitsubishi, Япония
- Шпиндель BT40 прямого привода UGint, с максимальной скоростью вращения до 12 000 об / мин., Республика Корея
- Высокоскоростной сменщик инструмента UGint на 14 позиций, типа "Зонтик" с манипулятором типа двойная рука, Республика Корея
- Цельнолитая монолитная станина, отлитая по технологии ХТС, естественного старения, Республика Корея
- Световая сигнализация
- Освещение рабочей зоны
- Полное ограждение рабочей зоны
- Виброопоры
- Контейнер для стружки
- Трансформатор 380В/50Гц
- Система ЧПУ Fanuc, Япония / Система ЧПУ Siemens, Германия
- Привода по всем осям, а также главный привод станка Fanuc, Япония / Siemens, Германия
- Шпиндель прямого привода UGint, с максимальной скоростью вращения до 15 000 или 24 000 об / мин., Республика Корея
- Высокоскоростной сменщик инструмента UGint на 20 позиций, манипулятор типа "Двойная рука", Республика Корея
- Боковой стружечный конвейер
- Задний стружечный конвейер
- Подача Смазочно-Охлаждающей Жидкости (СОЖ) через шпиндель под давлением 20 или 30 Бар.
- Пистолет смазочно-охлаждающей жидкости
- Воздушный пистолет
- Шпиндель BT30
- Масляный скимер
- Удалитель масляного тумана
- Модификация станка до 3+1 или 3+2 оси.
- Увеличенная на 150 миллиметров колонна
- Увеличенная на 300 миллиметров колонна
- Система промывки шпинделя
- Верхнее ограждение станка
Высокоскоростной, гибкий сверлильно-фрезерный обрабатывающий центр с жёсткостью тяжёлых станков!
UGint UT420 - высокопроизводительный сверлильно-фрезерный обрабатывающий центр с ЧПУ, подходящий для решения большого диапазона задач, за счёт большой рабочей зоны и богатому набору опций.
Производитель станков - Корейская станкостроительная компания, которая за последние 10 лет стала настоящим гигантом в мире металлообработки. Компания начинала как изготовитель компонентов, подрядчик и производитель для таких лидеров отрасли как DOOSAN и HYUNDAI WIA и других.В 2008 году наш Корейский партнер стал производить станки под собственным брендом UGINT.
Преимуществами и отличительными чертами станков UGINT являются:
| Спецификация | Значение |
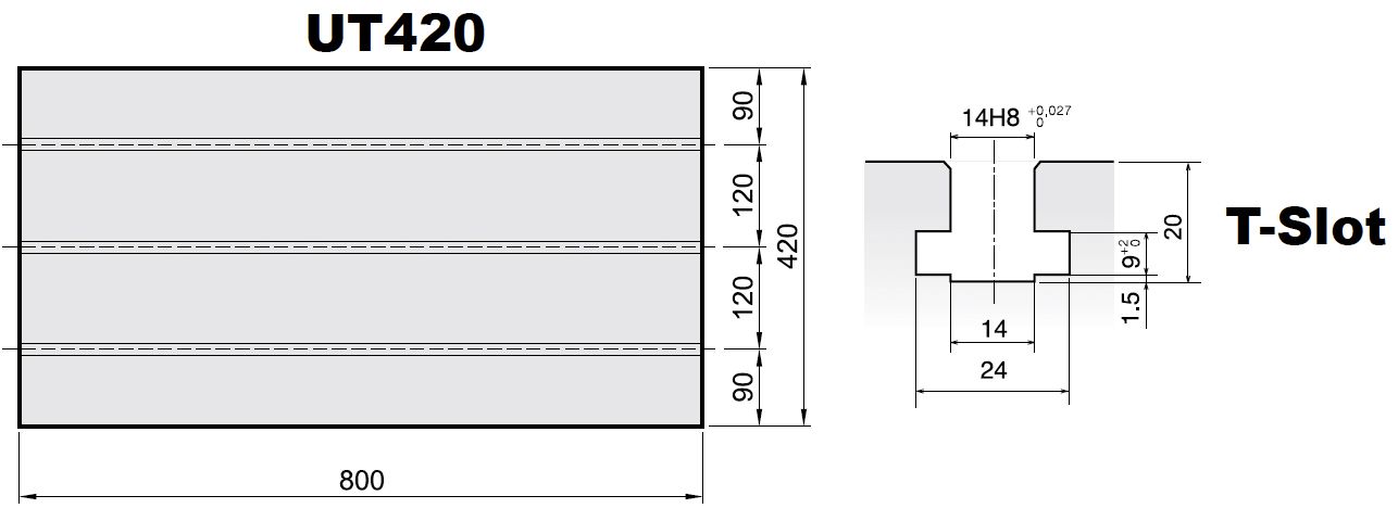
| Размер стола | 800 х 420 миллиметров |
| Грузоподъёмность стола | 200 килограмм |
| Диапазон перемещений по оси X | 700 миллиметров |
| Диапазон перемещений по оси Y | 420 миллиметров |
| Диапазон перемещений по оси Z | 350 миллиметров {480 мм. опционально} |
| Диапазон расстояний от конца шпинделя до поверхности стола | 150 - 500 миллиметров {150 - 630 мм. опционально} |
| Расстояние от оси вращения шпинделя по колонны | 484 миллиметра |
| Ускоренное перемещение по оси X | 50 м / мин. |
| Ускоренное перемещение по оси Y | 50 м / мин. |
| Ускоренное перемещение по оси Z | 50 м / мин. |
| Мощность шпинделя постоянно / 30 минут | 3,7 / 5,5 кВт. {2,2 / 3,7 кВт при шпинделе 15 и 24 тыс. об / мин.} {BT40: 5,5 / 7,5 опционально} |
| Максимальная скорость вращения шпинделя | 12 000 об/мин {15 000 / 24 000 об / мин.} |
| Тип привода шпинделя | прямой |
| Тип сменщика инструмента | Зонтик {манипулятор двойная рука} |
| Количество позиций для инструмента | 14/(20) {20} |
| Тип шпинделя | BT30 {BBT30/BT40} |
| Максимальный диаметр устанавливаемого инструмента | Ø80 миллиметров |
| Максимальная длина устанавливаемого инструмента | 200 миллиметров |
| Максимальная масса устанавливаемого инструмента | 3 килограмма |
| Габаритные размеры станка Д х Ш х В | 2100 х 2575 х 2468 миллиметров |
| Масса станка | 3500 килограмм |
Стандартная комплектация:
Опции:
